Pressure Reducing & Check Valves RCG
RCG-03,RCT-03
Pressure Control Hydraulic Valve,Hydraulic Valve,Relief Valve
The check relief valve is a branch circuit, used to set the pressure lower than the main circuit, and is also capable of remote control through the remote control port.
Multi-angle product photos
- CML Pressure Reducing & Check Valves RCG-03,06,10 Hydraulic Valve, Modular Valve circuit diagram
Application
- Industrial machinery.
- All kinds of specific hydraulic machinery.
Specification
| RC | G | 03 | 1 |
|---|---|---|---|
| Model | Installation Type | Port | Pressure Control Range |
| RC | Plate G | 03 : 3/8" 06 : 3/4" 10 : 1-1/4" | 1: 7-70 2 : 35-140 3 : 70-250 |
Technical Data
| Type | Max. Pressure (bar) | Pressure Control Range (bar) | Max Flow (LPM) | Weight (kg) | ||
|---|---|---|---|---|---|---|
| Tube | Plate | |||||
| RCT-03-※ | RCG-03-※ | 210 | 1 : 7-70 | 50 | 4.8 | 5.2 |
| RCT-06-※ | RCG-06-※ | 2 : 35-140 | 125 | 7.8 | 8.3 | |
| RCT-10-※ | RCG-10-※ | 3 : 70-210 | 250 | 14.4 | 13.4 | |
Attachment
| Type | Safety screw |
|---|---|
| RCG-03 | M10 x 70L…… 4pcs |
| RCG-06 | M10 x 80L…… 4pcs |
| RCG-10 | M10 x 95L…… 6pcs |
Model No.
RCG-03,RCG-06,RCT-06,RCT-10
- Code
Model Code

- Chart
Performance

- DWG
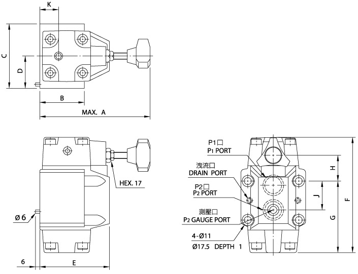
Measurement
RCG-03.06

RCG-10

RCT-03

RCT-06.10

- Notice
Instruction
Pressure adjustment: When adjusting the pressure, loosen the lock nut and slowly turn the handle, clockwise for higher pressure, counterclockwise for lower pressure, don't forget to tighten the fixing nut after the adjustment.
Oil return type: The oil return pipe of the direct and remote control type should not be connected with the oil return pipe of other valves, but should be directly returned to the oil tank. If the internal capacity of the return line is too large, frequent vibration is likely to occur. Therefore, the length and diameter of the piping should be reduced as much as possible.
Flow rate selection: When the flow rate is small, the adjustment pressure will be unstable. Therefore, when using caliber 03 and 06, the flow rate should be greater than 5 L/min, and when using caliber 10, the flow rate should be greater than 8 L/min.
Pressure Reducing & Check Valves RCG | EMC, ISO 9001, and CE Certified Hydraulic Valves – CML’s Global Recognition
Located in Taiwan since 1981, Camel Precision Co., Ltd. is a Pressure Reducing & Check Valves RCG (model: RCG-03,RCT-03 ) manufacturer in Machinery and Equipment Manufacturing Industry.
In 1981 Camel Precision Co.,Ltd was founded. The management of company fully awards of high quality products requires not only sophisticate machinery, But good knowledge in technology is also important as well. Company invited senior engineers from Germany and Japan to lead the manufacturing and training of local engineers in hydraulic industry. We offer our customers industrial pumps, solenoid directional control valves, hydraulic pumps, vane pumps, external gear pump, internal gear pump, directional valve, hydraulic valves...etc.
CML, Camel Hydraulic, Camel Precision has been offering customers high-quality Vane Pump, Variable Displacement Vane Pump, Internal Gear Pump, Eckerle Asia Agent, External Gear Pump, Solenoid Valve, Modular Valve, Pressure Reducing Valve, Flow Control Valve, Hydraulic Valve since 1981, both with advanced technology and 38 years of experience, CML, Camel Hydraulic, Camel Precision ensures each customer's demands are met.
Company Facts in Numbers
0
Years of industry experience
0
Number of clients served
0%
Customer repurchase rate

