V 系列轴向柱塞泵
V8, V10, V12, V15, V18, V23, V25, V38, V42, V50, V70
轴向柱塞泵
CML V系列轴向柱塞泵以独特的斜盘变化角度功能设计,广泛用于各种工况,适用于工具机、压机、冲床、塑胶成型机等。藉由整合了多种控制方式、功率损失小、减少油温上升,且可选配较小型油箱的多种特色,具备了省能源、空间和低成本等优点。
V 系列轴向柱塞泵公称压力为175 bar;最大压力可达280 bar;单次工作时间分别为250 bar/6ms以及315 bar/2.5ms
产品特性
- 独特设计斜盘变化角度功能,广泛应用于各种场所。
- 特殊设计,在全压力区内,保持低噪音性能。
- 省能源、小型化、低成本功能。
- 功率损失小、减低油温上升、可选配较小型油箱。
产品应用
- 工具机、压机、冲床、塑胶成型机

标准产品
| 系列编号 | 规格排量 | 控制形式 | 压力范围 | 旋转方向 |
|---|---|---|---|---|
| V | 8, 10, 12, 15, 18 | A:标准型(SAE A 两孔型) |
1 : 8-70(bar) 2 : 15-140(bar) 3 : 20-210(bar) 4 : 20-250(bar) |
R:顺时针方向 L:逆时针方向 |
| 23, 25, 38, 42, 50, 70 | 无记号:标准型(SAE A 两孔型) | |||
|
备注: 1.油泵使用安装位置,泄油口朝上,管路背压低于2bar单独回油箱。 2.最高压力使用,每一循环时间不超过6秒。 3.液压油清洁规范,请参见使用说明书。 4.全懋提供多联油泵,亦可与其他型式油泵联结,连结方式采用标准的公制连接尺寸和SAE尺寸 | ||||
订购型号说明
| V | 15 | A | 3 | R | ||
|---|---|---|---|---|---|---|
| 1 | 2 | 3 | 4 | 5 | 6 | 7 |
| 系列 | 规格排量 | 控制形式 | 压力范围 | 旋转方向 | 配管方向 | 轴心形式 |
| 8 | 9 | 10 | 11 | 12 | 13 | 14 |
|---|---|---|---|---|---|---|
| 电压 | 配管牙型 | 通轴规格 | 特殊规格 | 连接型式 | 油封 | 设计番号 |
控制方式
| 名称 | 特性 |
|---|---|
|
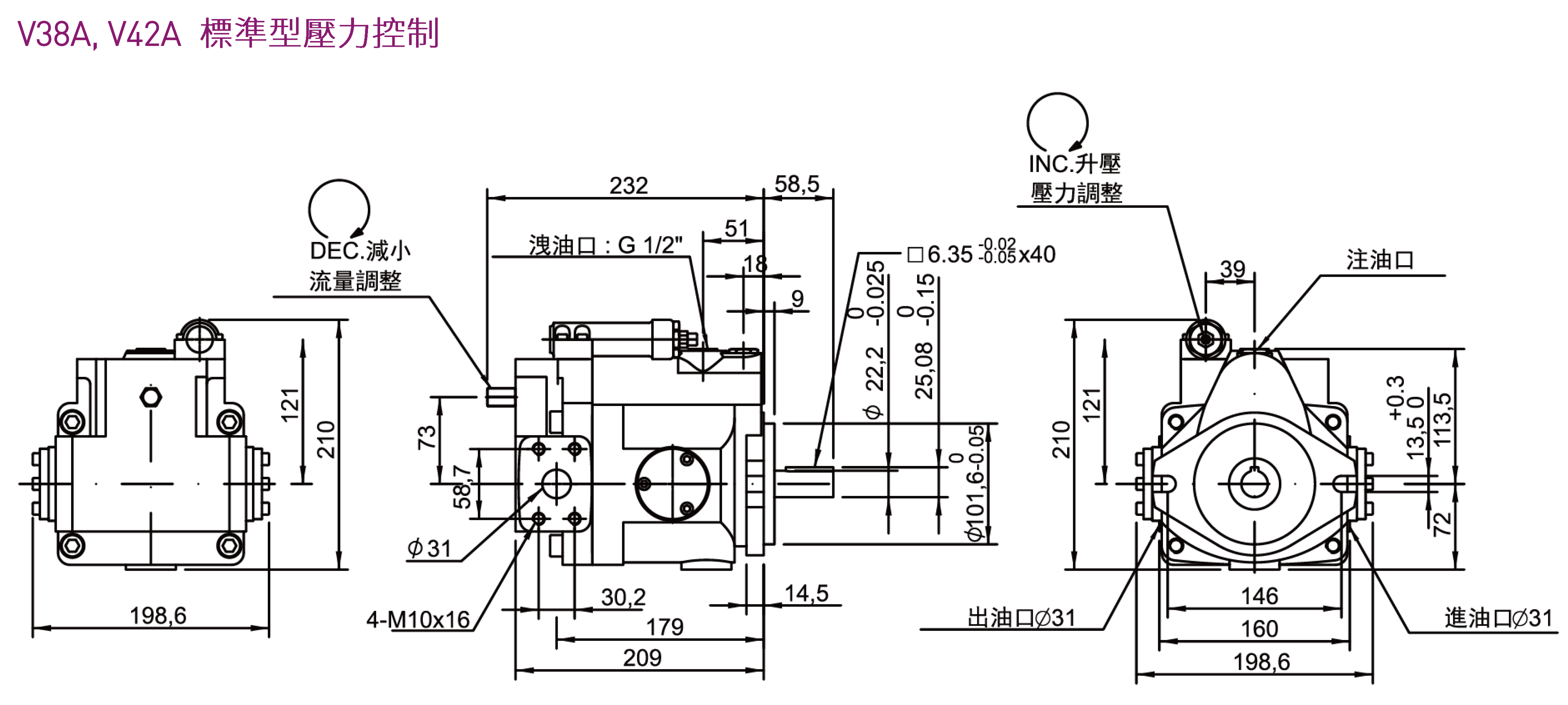
A型式 标准型压力控制 |
1.系统压增高接近调定线压时,泵流量自动下降,压力保持恒定。 2.流量及限压压力可手动调节。 |
|
HL型式 负载感应型控制 |
1.靠流量控制阀前后差压一定值,控制油泵吐出量与比例换向阀并用, 能形成理想的系统省能源功能 2.能控制负载压力一定时,而流量依节流阀改变,油泵自动感应回馈系 统 吐出的恒定流量,能达到低油温省能源功能。 |
|
C型式 两段压力, 两段流量控制 |
1.具低压大流量,高压小流量之高低压泵功能,可选小功率之发动机。 2.系统压力增高,接近预调的“PH”限压时,泵的流量自动降到“QL”。 3.压力“PH,PL”及流量“QH,QL”可分别任意调整4.适用于空行程长,加 压行程短之机械,速度快,省马力。 |
更多详细型号说明请参考【附件下载】
附件内容:
- 订购型号详细说明
- 20种控制方式详细说明、技术资料、安装尺寸图
- 柱塞双连泵(排量双连搭配表)
- 联轴器订货表、配件搭配
- Code
形式编码










- Data
技术资料

- Chart
控制方式


- DWG
外型尺寸










- 附件下载
全懋精機、全懋液壓、全懋油壓、全懋、台灣全懋、南京元懋、南京全懋、無錫全懋V 系列轴向柱塞泵服务简介
全懋精機股份有限公司是台湾一家拥有超过38年经验的专业V 系列轴向柱塞泵生产制造服务商。 我们成立于西元1981年, 在机械设备制造产业领域上,全懋精機、全懋液壓、全懋油壓、全懋、台灣全懋、南京元懋、南京全懋、無錫全懋提供专业高品质的V 系列轴向柱塞泵制造服务,全懋精機、全懋液壓、全懋油壓、全懋、台灣全懋、南京元懋、南京全懋、無錫全懋总是可以达成客户各种品质要求。
优势数据
0
年产业经营资历
0
服务客户数
0%
客户回购率



