Eckerle艾可勒内啮合齿轮泵EIPS
EIPS1,EIPS2
艾可勒内啮合齿轮泵
结合德国Eckerle艾可勒与台湾CML全懋的多联式内啮合齿轮泵,可选配各种流量的高低压串泵组合,提供客户更多样的应用选择。适用于定频或伺服系统的各种工况。例如需要长时间稳定保压、且有多种压力需求的液压产业机械应用,可同时满足客户对加速与加压的操作条件。
应用实例:液压橡胶软管的扣管机械(压管机)、裁断机、材料压缩机(压实机)等等。
本产品可依照需求客制化,如有需要请与我司联系。
CML拥有台湾制与德国进口内啮合齿轮泵,供客户选择。藉由40年累积的液压泵制造经验,提供多种组合产品,并可根据客户需求做系统规划与设计。产品广泛应用于各类制造机械、金属加工机械、移动车辆机械、液压系统、伺服系统与油电整合应用。结合不同油泵之特性,达到低噪音,友善工作环境;低耗能,环境爱护;低耗损,节省成本等特点,最重要的是,能大幅提升机械运作的精度与稳定性,使客户效益最大化。
CML提供马达组配与选用服务,齿轮泵多款连接的串泵组装,以及伺服系统的应用规划等。如果您有任何要求,请与我们联系。
全懋精機股份有限公司(CML)为专业液压叶片泵、齿轮泵与液压阀的制造商,并取得认证成为Eckerle亚洲总代理,在亚洲销售近二十年。
CML为德国Eckerle在台湾与大陆等亚洲地区的经销商,自2001年起,已有20年以上的良好合作。 CML台湾办公室位于台中,可即时处理北部与南部的需求;而中国则拥有南京、东莞以及无锡三大据点,提供快速的在地化服务。 CML的团队经验丰富,并拥有齐全的资讯,是在亚洲购买的您最佳的选择。
产品特性
- 具有径向及轴向压力补偿设计,效率高。
- 吸入口和压力口呈现90°。
- 低脉冲(< 2%),确保机械运转稳定,压力稳定,使用寿命长。
- 多种排量组合。
产品应用
- 适用于注塑机、成形机、伺服液压节能系统等高压油压机械。
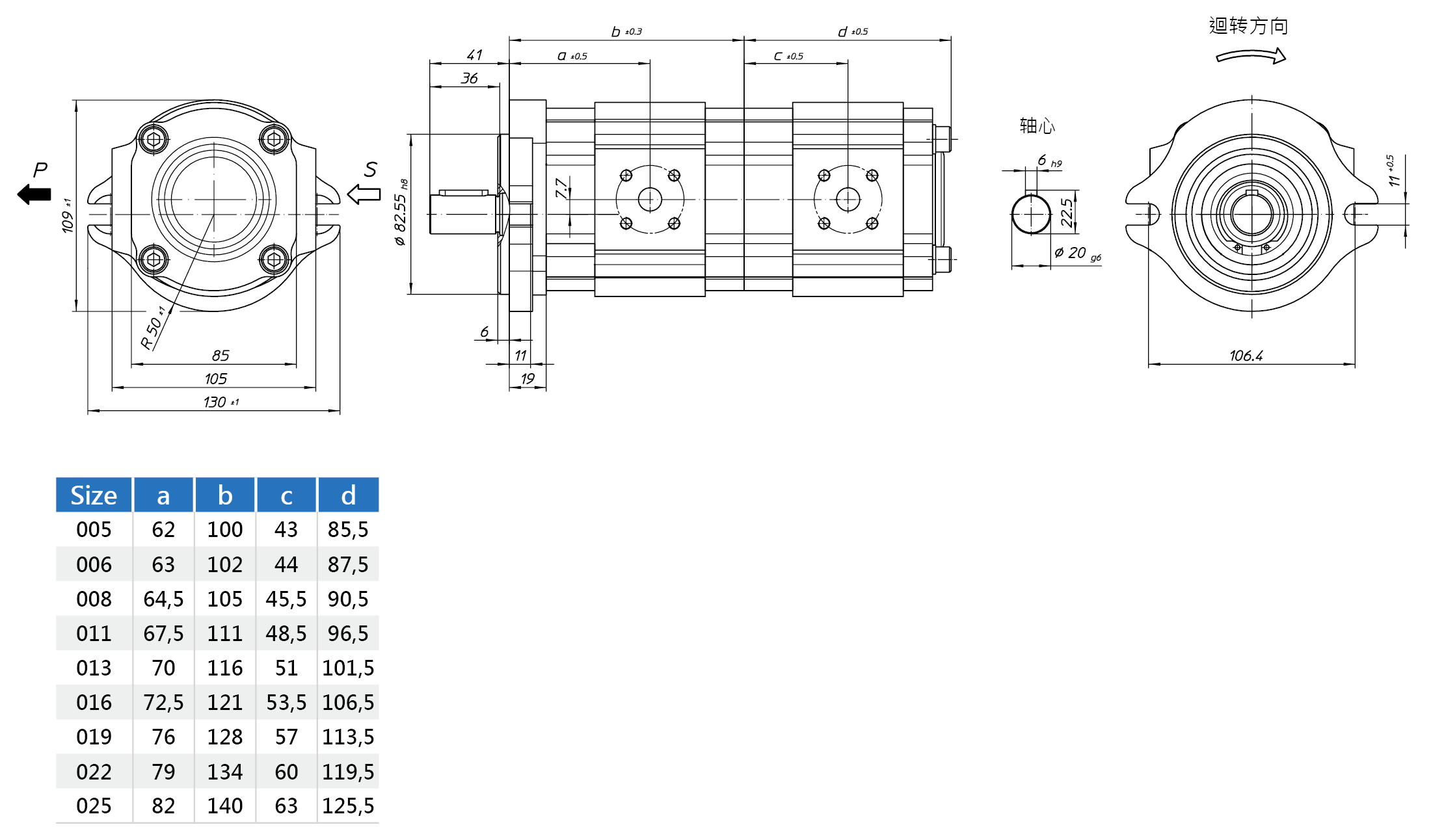
规格表
EIPS1系列
| 型号 | 016 | 020 | 025 | 032 | 040 | 050 |
|---|---|---|---|---|---|---|
| 额定流量[cm3/rev]* | 1.6 | 2.0 | 2.5 | 3.2 | 4.0 | 5.0 |
| 连续使用压力[bar]** | 300 | 250 | 210 | |||
| 最高压力[bar]最长10秒15%工作循环 | 320 | 280 | 220 | |||
| 瞬间压力peak 100 ms [bar]** | 350 | 300 | 250 | |||
| 最高转速[min-1] | 4.000 | |||||
| 正常转速[min-1] | 400 - 3.600 | |||||
| 工作黏度[mm2/s] | 10 - 300 | |||||
| 启动黏度[mm2/s] | 2.000 | |||||
| 工作温度[°C] | -20 to +100 | |||||
| 工作介质[HL] | HL - HLP DIN 51 524 Part 1/2 | |||||
| 最高介质温度[°C] | 120 | |||||
| 最低介质温度[°C] | -40 | |||||
| 最高环境温度[°C] | 80 | |||||
| 最低环境温度[°C] | -40 | |||||
| 最大吸入压力(吸入口) [bar] | 2 bar 绝对大气压力 | |||||
| 最小吸入压力(吸入口) [bar] | 0.8 bar 绝对大气压力(0.6 bar 启动时) | |||||
| 过滤等级 | 20/18/15(ISO 4406) | |||||
| 使用寿命 | 不少于1 x 106 最高操作压力 | |||||
测量条件:转速n = 1.450 min-1,Δp= 250 bar,T = 50°C 介质:HLP 46
1. 因制作公差,流量容积可能有变化。
2. 油泵无抗腐蚀防护设计,请勿持续性于最大容许的临界值(压力丶转速)操作使用。
3. 型录压力范围适用于400~1.800 rpm : 更高或更低转运速需求请洽原厂。
EIPS2系列
| 型号 | 005 | 006 | 008 | 011 | 013 | 016 | 019 | 022 | 025 |
|---|---|---|---|---|---|---|---|---|---|
| 额定流量[cm3/rev]* | 5.4 | 6.4 | 7.8 | 10.8 | 13.3 | 15.6 | 1839 | 21.8 | 24.8 |
| 连续使用压力[bar]** | 250 | ||||||||
| 最高压力[bar]最长10秒15%工作循环 | 320 | 300 | 280 | ||||||
| 瞬间压力peak 100 ms [bar]** | 350 | 325 | 300 | ||||||
| 额定转速[min-1] | 200 - 4.000 | 200 - 3.600 | 100 - 3.000 | ||||||
| 最高转速[min-1] | 4.200 | 4.000 | 3.600 | ||||||
| 工作黏度[mm2/s] | 10 - 300 | ||||||||
| 启动黏度[mm2/s] | 2.000 | ||||||||
| 工作温度[°C] | -20 to +100 | ||||||||
| 工作介质[HL] | HL - HLP DIN 51 524 Teil 1/2 | ||||||||
| 最高介质温度[°C] | 120 | ||||||||
| 最小介质温度[°C] | -40 | ||||||||
| 最高周围温度[°C] | 80 | ||||||||
| 最小周围温度[°C] | -40 | ||||||||
| 最大吸入压力(吸入口) [bar] | 2 bar 绝对大气压力 | ||||||||
| 最小吸入压力(吸入口) [bar] | 0.8 bar 绝对大气压力(0.6 bar 启动时) | ||||||||
| 重量. [kg] | 2.9 | 3.0 | 3.1 | 3.3 | 3.5 | 3.6 | 3.8 | 4.0 | 4.2 |
| 过滤等级 | 20/18/15 (ISO 4406) | ||||||||
| 使用寿命 | 不少于1 x 106 最高操作压力 | ||||||||
| 容积效率η vol [%] | 91 | 92 | 93 | 94 | 95 | ||||
| 全效率η hm [%] | 90 | 91 | 92 | 93 | |||||
|
油泵噪音值*dB[A] (噪音值皆于Eckerle 噪音室距离1 公尺量测) | 55 | 56 | 58 | 59 | 60 | 61 | 62 | 63 | 64 |
测量条件:转速n = 1.450 min-1,Δp= 250 bar,T = 50°C 介质:HLP 46
1. 因制作公差,流量容积可能有变化。
2. 油泵无抗腐蚀防护设计,请勿持续性于最大容许的临界值(压力丶转速)操作使用。
3. 型录压力范围适用于400~1.800 rpm : 更高或更低转运速需求请洽原厂。
多重转速操作
德国艾可勒(Eckerle)的内啮合齿轮泵特别能适应于不同转速变换下工作。即便是低黏度指数以及高油温的情况下,因EIPC系列径向与轴向的间隙补偿设计,使油泵能够在各种高低转速域皆能高效率的运转及高功率输出。不同转速变化操作下某些临界条件需额外注意,请参考下列所示的各种典型周期。
I. 启动:德国艾可勒(Eckerle)内啮合齿轮泵能够从静止状态于一启动即开始造压。它能够由零压状态非常平顺的启动。有关此种设计需求请向供货商进一步咨询。
II. 运转:德国艾可勒(Eckerle)内啮合齿轮泵能够于不同转速下产生相对应的容积流量, 不限何种压力范围。 然而, 不同尺寸的油泵其应用有一定限制。
III. 减速:德国艾可勒(Eckerle)内啮合齿轮泵可运用于高转降速的应用。虽然吸油侧具有一定的压力峰值,但必须确保这些使用不超过最大容许的入口压力。
IV. 保压操作:德国艾可勒(Eckerle)内啮合齿轮泵的间隙补偿设计使其能够在非常低的转速下输出高油压。因此它在保压操作时相对节省能耗。泵运行后应遵循操作程序释放泵的压力。
V. 切换旋向:德国艾可勒(Eckerle)内啮合齿轮泵通常能够高速的反向运转以达到降低瞬间高压, 或者当作油压马达来使用。唯必须确保出口压永远必须高于入口压。
VI. 加速:德国艾可勒(Eckerle)内啮合齿轮泵能够使用于大量的加速运作。仅受限于某些条件, 例如: 入口压、吸油管路及液压油黏度的几何特性。但这些条件不能低于指定的最低入口压力。
* 为了避免不当操作, 当开始使用新泵时, 我们建议需先测量泵的入口和出口压力。

产品型号
EIPS-RD31-1X, EIPS-RA01-1X, EIPS-LD34-1X, EIPS-RB04-1X, EIPS-RA04-1X S111, EIPS2-RA04-1X04-1X, EIPS2-RA32-1X, EIPS2-LD34-1X S112
- Code
形式编码

- Chart
性能曲线
EIPS
测试条件:转速1450rpm,黏度46mm^2/sec
操作温度40°,噪音值符合DIN 45 635表26:测试距离为1.0米
- DWG
外型尺寸
一字型连轴器
订购编号: EIPS-RD01-1X

SAE-A 2孔法兰花键
订购编号:EIPS-RA01-1X

一字型连轴器
订购编号:EIPS-LD34-1X

SAE-A 2孔法兰花键
订购编号:EIPS-RB04-1X

SAE-A 2孔法兰平行键
订购编号:EIPS-RA04-1X S111

SAE-A 2孔法兰平行键
订购编号:EIPS2-RA04-1X04-1X

平行键
订购编号:EIPS2-RA32-1X

SAE-A 2孔法兰双联式油泵
订购编号:EIPS2-RK04-1X S111+ EIPS2-RK34-1X S111

特殊安装规格(同IFP3系列) 请洽业务人员
订购编号:EIPS2-LD34-1X S112

全懋精機、全懋液壓、全懋油壓、全懋、台灣全懋、南京元懋、南京全懋、無錫全懋Eckerle艾可勒内啮合齿轮泵EIPS服务简介
全懋精機股份有限公司是台湾一家拥有超过38年经验的专业Eckerle艾可勒内啮合齿轮泵EIPS生产制造服务商。 我们成立于西元1981年, 在机械设备制造产业领域上,全懋精機、全懋液壓、全懋油壓、全懋、台灣全懋、南京元懋、南京全懋、無錫全懋提供专业高品质的Eckerle艾可勒内啮合齿轮泵EIPS制造服务,全懋精機、全懋液壓、全懋油壓、全懋、台灣全懋、南京元懋、南京全懋、無錫全懋总是可以达成客户各种品质要求。
优势数据
0
年产业经营资历
0
服务客户数
0%
客户回购率


