صمامات تخفيف الضغط التي يتم التحكم فيها بواسطة الملف اللولبي من نوع الضوضاء المنخفضة SBSG
SBSG-03,SBSG-06,SBSG-10
صمام التحكم في الضغط، صمام هيدروليكي، صمام تخفيف
تركيبة من صمام تخفيف الضغط منخفض الضوضاء وصمام عكسي كهرومغناطيسي. يتمتع بخصائص سلسلة SBG. يمكن تفريغ ضغط المضخة عن بُعد بواسطة إشارة تؤثر على صمام الملف اللولبي، أو تنظيمه عن طريق توصيل صمام تخفيف الضغط بصمام الملف اللولبي، مما يمنح النظام مستويين أو ثلاثة مستويات من التحكم في الضغط.
صور المنتجات بزاوية متعددة
- CML صمامات تخفيف الضغط التي يتم التحكم فيها بواسطة الملف اللولبي من نوع الضوضاء المنخفضة، صمام هيدروليكي، مخطط دائرة صمام وحدات
تطبيق
- الآلات الصناعية.
- جميع أنواع الآلات الهيدروليكية المحددة.
المواصفات
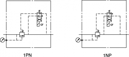
| SBS | G | 03 | 1PN | 3 | R |
|---|---|---|---|---|---|
| نموذج | نوع التثبيت | منفذ | نطاق التحكم في الضغط | اتجاه المقبض | |
| SBS | G: لوحة | 03: 3/8" 06 : 3/4" 10: 1-1/4" | عادة مفتوح 1PN | 1: 7-70 2 : 35-140 3 : 70-250 | R:الجانب الأيمن (P) نوع قياسي |
البيانات الفنية
| النوع | الضغط الأقصى (بار) | نطاق التحكم في الضغط (بار) | أقصى تدفق (لتر في الدقيقة) | الوزن (كجم) |
|---|---|---|---|---|
| SBSG-03-※-※※※ | 250 | 1 : 7-70 2 : 35-140 3 : 70-250 | 100 | 4.8 |
| SBSG-06-※-※※※ | 200 | 5.9 | ||
| SBSG-10-※-※※※ | 400 | 11.3 |
ملحق
| النوع | برغي الأمان |
|---|---|
| SBSG-03 | M1 × 40L…… 4 قطع |
| SBSG-03 | M16 × 45L…… 4 قطع |
| SBSG-03 | M20 x 60L…… 4 قطع |
رقم الموديل
SBSG-03,SBSG-06,SBSG-10
- رمز
رمز الطراز

- DWG
القياس
SBSG-03.06.10


- إشعار
تعليمات
ضبط الضغط: عند ضبط الضغط، قم بفك صمولة القفل ولف المقبض ببطء، في اتجاه عقارب الساعة لزيادة الضغط، عكس اتجاه عقارب الساعة لتقليل الضغط، لا تنسَ شد صمولة التثبيت بعد الضبط.
نوع عودة الزيت: يجب ألا يتم توصيل أنبوب عودة الزيت من النوع المباشر أو عن بُعد مع أنبوب عودة الزيت الخاص بصمامات أخرى، بل يجب أن يعود مباشرة إلى خزان الزيت. إذا كانت السعة الداخلية لخط العودة كبيرة جدًا، فمن المحتمل أن تحدث اهتزازات متكررة. لذلك، يجب تقليل طول وقطر الأنابيب قدر الإمكان.
اختيار معدل التدفق: عندما يكون معدل التدفق صغيرًا، سيكون ضغط التعديل غير مستقر. لذلك، عند استخدام العيار 03 و06، يجب أن يكون معدل التدفق أكبر من 5 لترات/دقيقة، وعند استخدام العيار 10، يجب أن يكون معدل التدفق أكبر من 8 لترات/دقيقة.
صمامات تخفيف الضغط التي يتم التحكم فيها بواسطة الملف اللولبي من نوع الضوضاء المنخفضة SBSG | صمامات هيدروليكية معتمدة من EMC و ISO 9001 و CE – الاعتراف العالمي لـ CML
تقع في تايوان منذ عام 1981، Camel Precision Co., Ltd. هي شركة تصنيع صمامات تخفيف الضغط التي يتم التحكم فيها بواسطة الملف اللولبي من نوع الضوضاء المنخفضة SBSG (نموذج: SBSG-03,SBSG-06,SBSG-10 ) في صناعة تصنيع الآلات والمعدات.
في عام 1981، تم تأسيس شركة Camel Precision المحدودة. إدارة الشركة تتطلب منح المنتجات عالية الجودة ليس فقط آلات متطورة، ولكن المعرفة الجيدة في التكنولوجيا مهمة أيضًا. دعت الشركة مهندسين كبار من ألمانيا واليابان لقيادة التصنيع وتدريب المهندسين المحليين في صناعة الهيدروليك. نقدم لعملائنا مضخات صناعية، صمامات تحكم اتجاهية كهربائية، مضخات هيدروليكية، مضخات ريشية، مضخات تروس خارجية، مضخات تروس داخلية، صمامات اتجاهية، صمامات هيدروليكية... إلخ.
CML، Camel Hydraulic، Camel Precision تقدم للعملاء مضخة ريش عالية الجودة، مضخة ريش ذات إزاحة متغيرة، مضخة تروس داخلية، وكيل إكرلي آسيا، مضخة تروس خارجية، صمام كهربائي، صمام معياري، صمام تخفيض الضغط، صمام التحكم في التدفق، وصمام هيدروليكي منذ عام 1981، مع تكنولوجيا متقدمة و38 عامًا من الخبرة، تضمن CML، Camel Hydraulic، Camel Precision تلبية احتياجات كل عميل.
حقائق الشركة بالأرقام
0
سنوات من الخبرة في الصناعة
0
عدد العملاء الذين تم خدمتهم
0%
معدل إعادة شراء العملاء

