صمامات التحكم في الضغط من نوع HC HCG
HCG-03,HCG-06,HCG-10,HCT-03,HCT-06,HCT-10
صمام التحكم في الضغط، صمام هيدروليكي، صمام تخفيف
السلسلة هي صمام تحكم في الضغط يعمل بشكل مباشر، يمكن تشغيله بواسطة التحكم في الضغط الداخلي أو الخارجي.
يمكن تصنيف نوع الصمام كصمام تخفيف الضغط المنخفض، صمام تفريغ أو صمام تسلسل.
معارض الوسائط
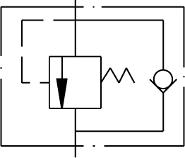
- CML صمامات التحكم في الضغط من نوع HCG HCG-03,06,10 صمام هيدروليكي، مخطط دائرة صمام وحدات
تطبيق
- الآلات الصناعية.
- جميع أنواع الآلات الهيدروليكية المحددة.
المواصفات
| HC | G | 06 | A | 4 |
|---|---|---|---|---|
| نموذج | نوع التثبيت | المنفذ | نطاق التحكم في الضغط | الطائرة والصرف |
| HC | G:لوحة | 03: 3/8" 06 : 3/4" 10: 1-1/4" | A: 18-35 B: 35-70 C: 70-140 | الطائرة الداخلية والصرف 1 الطائرة الداخلية والصرف الخارجي 2 الصرف الخارجي والطائرة 3 الطائرة الداخلية والصرف الداخلي 4 |
البيانات الفنية
| النوع | الضغط الأقصى (بار) | نطاق التحكم في الضغط (بار) | أقصى تدفق (ل.ت.م) | الوزن (كجم) | ||
|---|---|---|---|---|---|---|
| أنبوب | لوحة | |||||
| HT-03-※※ | HG-03-※※ | 210 | أ:18-35 | 50 | 4.8 | 4.2 |
| HT-06-※※ | HG-06-※※ | ب:35-70 | 125 | 7.8 | 7.5 | |
| HT-10-※※ | HG-10-※※ | C:70-140 | 250 | 13.8 | 13.8 | |
مرفق
| النوع | برغي الأمان |
|---|---|
| HCG-03 | M10 x 70L…… 4 قطع |
| HCG-06 | M10 × 80L…… 4 قطع |
| HCG-10 | M10 × 95L…… 6 قطع |
رقم الموديل
HCT-03,HCT-06,HCT-10,HCG-03,HCG-06,HCG-10
- رمز
رمز النموذج

- رسم بياني
الأداء

- DWG
قياس
HCT-03.06.10


HCG-03.06


HCG-10

HGM-03


HGM-06


HGM-10


- إشعار
تعليمات
ضبط الضغط: عند ضبط الضغط، قم بفك صمولة القفل ولف المقبض ببطء، في اتجاه عقارب الساعة لزيادة الضغط، عكس اتجاه عقارب الساعة لتقليل الضغط، لا تنسَ شد صمولة التثبيت بعد الضبط.
نوع عودة الزيت: يجب ألا يتم توصيل أنبوب عودة الزيت من النوع المباشر أو عن بُعد مع أنبوب عودة الزيت الخاص بصمامات أخرى، بل يجب أن يعود مباشرة إلى خزان الزيت. إذا كانت السعة الداخلية لخط العودة كبيرة جدًا، فمن المحتمل أن تحدث اهتزازات متكررة. لذلك، يجب تقليل طول وقطر الأنابيب قدر الإمكان.
اختيار معدل التدفق: عندما يكون معدل التدفق صغيرًا، سيكون ضغط التعديل غير مستقر. لذلك، عند استخدام العيار 03 و 06، يجب أن يكون معدل التدفق أكبر من 5 لتر/دقيقة، وعند استخدام العيار 10، يجب أن يكون معدل التدفق أكبر من 8 لتر/دقيقة.
صمامات التحكم في الضغط من نوع HC HCG | صمامات هيدروليكية معتمدة من EMC و ISO 9001 و CE – الاعتراف العالمي لـ CML
تقع في تايوان منذ عام 1981، Camel Precision Co., Ltd. هي شركة تصنيع صمامات التحكم في الضغط من نوع HC HCG (نموذج: HCG-03,HCG-06,HCG-10,HCT-03,HCT-06,HCT-10 ) في صناعة تصنيع الآلات والمعدات.
في عام 1981، تم تأسيس شركة Camel Precision المحدودة. إدارة الشركة تتطلب منح المنتجات عالية الجودة ليس فقط آلات متطورة، ولكن المعرفة الجيدة في التكنولوجيا مهمة أيضًا. دعت الشركة مهندسين كبار من ألمانيا واليابان لقيادة التصنيع وتدريب المهندسين المحليين في صناعة الهيدروليك. نقدم لعملائنا مضخات صناعية، صمامات تحكم اتجاهية كهربائية، مضخات هيدروليكية، مضخات ريشية، مضخات تروس خارجية، مضخات تروس داخلية، صمامات اتجاهية، صمامات هيدروليكية... إلخ.
CML، Camel Hydraulic، Camel Precision تقدم للعملاء مضخة ريش عالية الجودة، مضخة ريش ذات إزاحة متغيرة، مضخة تروس داخلية، وكيل إكرلي آسيا، مضخة تروس خارجية، صمام كهربائي، صمام معياري، صمام تخفيض الضغط، صمام التحكم في التدفق، وصمام هيدروليكي منذ عام 1981، مع تكنولوجيا متقدمة و38 عامًا من الخبرة، تضمن CML، Camel Hydraulic، Camel Precision تلبية احتياجات كل عميل.
حقائق الشركة بالأرقام
0
سنوات من الخبرة في الصناعة
0
عدد العملاء الذين تم خدمتهم
0%
معدل إعادة شراء العملاء

