Внутренний шестеренчатый насос Eckerle EIPC
EIPC3,EIPC5,EIPC6
Внутренний шестеренчатый насос Eckerle
Множественные насосы с интегрированными внутренними шестеренчатыми насосами Eckerle и CML могут включать в себя различные размеры насосов с различным выходным давлением, обеспечивая пользователям различные варианты для их приложений. Они предназначены для систем с фиксированным оборотом или сервоприводами для различных рабочих ситуаций, таких как поддержание постоянного стабильного давления и/или гидравлические механические приложения, требующие различных выходных давлений, чтобы удовлетворить как быструю скорость работы, так и требования высокого давления.
Примеры применения: машина для обжима труб (зажим соединителей труб), резательная машина, компактор материалов и т.д. Доступны индивидуальные спецификации; пожалуйста, свяжитесь с нами для получения дополнительной информации.
Продукция CML широко используется в различных производственных машинах, машинах для обработки металлов, мобильных машинах, гидравлических системах, сервосистемах и в интегрированных приложениях гидравлического масла и электроэнергии.
Комбинирование характеристик различных гидравлических насосов для достижения низкого уровня шума создает дружественную рабочую среду; низкое энергопотребление способствует охране окружающей среды. Низкое потребление для экономии затрат и т.д. Важнее всего, это может значительно повысить точность и стабильность механической работы и максимизировать выгоды для клиентов.
Особенности
- Внутренний шестеренчатый насос с компенсацией осевого и радиального зазора
- Радиальная компенсация сегментами
- Впускное и нагнетательное отверстия радиальные
- Область применения: Промышленная гидравлика
- Низкий уровень шума
- Длительный срок службы
- Низкая пульсация (пульсация давления ~2 %)
- Многочисленные комбинации потока
Применение
- Подходит для машин литья под давлением, формовочных машин, систем энергосбережения с сервогидравлическим приводом и других гидравлических машин высокого давления.
Спецификация
Серия EIPC3
Условия испытаний: n = 1.450 мин-1, Δ p = 250 бар, T = 50 °C, Среда: HLP 46
| Номинальный размер | 020 | 025 | 032 | 040 | 050 | 063 | 064 |
|---|---|---|---|---|---|---|---|
| Специфический объем Vth [см3/об]*** | 20.0 | 24.8 | 32.1 | 40.1 | 50.3 | 63.1 | 64.4 |
| Непрерывное рабочее давление [бар]** | 250 | 180 | 250 | ||||
| Максимальное рабочее давление [бар] макс.10 сек 15 % рабочего цикла** | 320 | 300 | 280 | 210 | 280 | ||
| Пиковое давление включения [бар]** | 350 | 325 | 300 | 210 | 300 | ||
| Номинальная скорость [мин-1] | 200 - 3.400 | 200 - 3.200 | 200 - 3.000 | 100 - 2.500 | 100 - 1.800 | 100-1.800 | |
| Максимальная скорость [мин-1] | 3.900 | 3.800 | 3.700 | 2.500 | 1.800 | 1.800 | |
| Номинальная скорость [мин-1]**** | 100 - 3.200 | 100 - 3.000 | 200 - 2.200 | 100-2.200 | |||
| Максимальная скорость [мин-1]**** | 3.600 | 3.600 | 2.400 | 2.400 | |||
| Рабочая вязкость [мм2/с] | 10 - 300 | ||||||
| Начальная вязкость [мм2/с] | 2.000 | ||||||
| Рабочая температура [°C] | -20 до +100 | ||||||
| Рабочая среда | HL - HLP DIN 51 524 часть 1/2 | ||||||
| Максимальная температура среды [°C] | 120 | ||||||
| Минимальная температура среды [°C] | -40 | ||||||
| Максимальная окружающая температура [°C] | 80 | ||||||
| Минимальная окружающая температура [°C] | -40 | ||||||
| Максимальное давление на входе (сторона всасывания) [бар] | 2 бар абсолютное | ||||||
| Минимальное давление на входе (сторона всасывания) [бар] | 0.8 бар абсолютное (начало 0.6) | ||||||
| Вес примерно [кг] | 8.3 | 8.6 | 9.2 | 9.8 | 10.5 | 5.4 | 11.5 |
| Степень фильтрации | Класс 20/18/15 согласно ISO 4406 | ||||||
| Продолжительность жизни | не менее 1x 107 циклов нагрузки при максимальном рабочем давлении | ||||||
| Эффективность η объем: | 93 | 93 | 94 | 95 | 95 | 94 | 95 |
| Эффективность η гм: | 91 | 92 | 92 | 93 | 93 | 92 | 93 |
| Шум насоса* (измеряется в звуковой камере) дБ[А] | 62 | 63 | 64 | 65 | 66 | 64 | 68 |
Серия EIPC5
Условия испытаний: n = 1.450 мин-1, Δ p = 250 бар, T = 50 °C, Среда: HLP 46
| Номинальный размер | 064 | 080 | 100 |
|---|---|---|---|
| Специфический объем Vth [см3/об]*** | 65.3 | 80.4 | 100.5 |
| Непрерывное рабочее давление [бар]** | 250 | ||
| Максимальное рабочее давление [бар] макс.10 сек 15 % рабочего цикла** | 270 | ||
| Пиковое давление включения [бар]** | 280 | ||
| Номинальная скорость [мин-1] | 100 - 2.800 | 100 - 2.800 | 100 - 2.500 |
| Максимальная скорость [мин-1] | 3.000 | 3.000 | 3.000 |
| Рабочая вязкость [мм2/с] | 10 - 300 | ||
| Начальная вязкость [мм2/с] | 2.000 | ||
| Рабочая температура [°C] | -20 до +100 | ||
| Рабочая среда | HL - HLP DIN 51 524 часть 1/2 | ||
| Максимальная температура среды [°C] | 120 | ||
| Минимальная температура среды [°C] | -40 | ||
| Максимальная окружающая температура [°C] | 80 | ||
| Минимальная окружающая температура [°C] | -40 | ||
| Максимальное давление на входе (сторона всасывания) [бар] | 2 бар абсолютное | ||
| Минимальное давление на входе (сторона всасывания) [бар] | 0.8 бар абсолютное (начало 0.6) | ||
| Вес примерно [кг] | 11.5 | 13.0 | 13.5 |
| Степень фильтрации | Класс 20/18/15 согласно ISO 4406 | ||
| Продолжительность жизни | не менее 1x 107 циклов нагрузки при максимальном рабочем давлении | ||
| Эффективность η объем: | 94 | 95 | 95 |
| Эффективность η гм: | 92 | 93 | 93 |
| Шум насоса* (измеряется в звуковой камере) дБ[А] | 69 | 70 | 71 |
Серия EIPC6
Условия испытаний: n = 1.450 мин-1, Δ p = 250 бар, T = 50 °C, Среда: HLP 46
| Номинальный размер | 125 | 160 | 200 | 250 |
|---|---|---|---|---|
| Специфический объем Vth [см3/об]*** | 125.7 | 160.1 | 200.9 | 249.9 |
| Непрерывное рабочее давление [бар]** | 250 | 160 | 140 | |
| Максимальное рабочее давление [бар] макс.10 сек 15 % рабочего цикла** | 280 | 170 | 150 | |
| Пиковое давление включения [бар]** | 300 | 180 | 160 | |
| Номинальная скорость [мин-1]**** | 400 - 2.500 | 400 - 2.000 | ||
| Максимальная скорость [мин-1] | 2.800 | 2.200 | ||
| Рабочая вязкость [мм2/с] | 10 - 300 | |||
| Начальная вязкость [мм2/с] | 2.000 | |||
| Рабочая температура [°C] | -20 до +100 | |||
| Рабочая среда | HL - HLP DIN 51 524 | |||
| Максимальная температура среды [°C] | 80 | |||
| Минимальная температура среды [°C] | -20 | |||
| Максимальная окружающая температура [°C] | 80 | |||
| Минимальная окружающая температура [°C] | -20 | |||
| Максимальное давление на входе (сторона всасывания) [бар] | 2 бар абсолютное | |||
| Минимальное давление на входе (сторона всасывания) [бар] | 0.8 бар абсолютное (начало 0.6) | |||
| Вес примерно [кг] | 27.5 | 30 | 43 | 54 |
| Степень фильтрации | Класс 20/18/15 согласно ISO 4406 | |||
| Продолжительность жизни | не менее 1x 107 циклов нагрузки при максимальном рабочем давлении | |||
| Эффективность η объем: | 94 | 94 | 93 | 93 |
| Эффективность η гм: | 90 | 91 | ||
| Шум насоса* (измеряется в звуковой камере) дБ[А] | 76 | 77 | 77 | 78 |
Переменная скорость работы
В принципе, внутренние шестеренчатые насосы Eckerle идеально подходят для переменной скорости работы. Даже при низкой вязкости и высоких температурах перекачиваемой среды, насосы работают крайне энергоэффективно и динамично в широком диапазоне скоростей благодаря радикальной и аксиальной компенсации зазоров. Однако, при переменной скорости работы необходимо соблюдать определенные граничные условия. Приведенный ниже пример цикла наглядно иллюстрирует это.
I. Начало: Внутренние шестеренчатые насосы Eckerle способны создавать давление с нулевой скорости. Это происходит плавно, когда насос запускается из неподдерживаемого давлением состояния. Пожалуйста, обратитесь к Eckerle, если из-за конструкции системы насос поддерживается под давлением в состоянии покоя.
II. Работа насоса: Внутренние шестеренчатые насосы Eckerle способны обеспечивать зависящий от скорости объемный поток при любом уровне давления во время работы насоса. Однако необходимо соблюдать предельные значения для соответствующих размеров.
III. Замедление: С помощью внутренних шестеренчатых насосов Eckerle можно достичь очень высоких замедлений, однако необходимо обеспечить, чтобы на всасывающей стороне не возникали линейно-зависимые пиковые давления. Они не должны превышать максимально допустимого входного давления.
IV. Операция поддержания давления: Внутренние шестеренчатые насосы Eckerle способны создавать высокое давление даже при очень низкой скорости благодаря компенсации зазора, поэтому операция поддержания давления является чрезвычайно энергоэффективной. Работа насоса должна следовать после операции поддержания давления для промывки насоса.
V. Обратная операция: Внутренние шестеренчатые насосы Eckerle обычно способны работать высокодинамично в противоположном направлении вращения для снижения пиков давления или с помощью гидравлического мотора. Однако необходимо обеспечить, чтобы выходное давление всегда было выше входного давления.
VI. Ускорение: С помощью внутренних шестеренчатых насосов Eckerle можно достичь очень больших ускорений. Они ограничены входным давлением, геометрией всасывающей линии и вязкостью. Однако они не должны падать ниже указанного минимального входного давления серии.
* Чтобы избежать критических рабочих точек, рекомендуется проводить измерения входного и выходного давления насоса непосредственно у насоса со сканированием частоты не менее 1 кГц при запуске нового цикла насоса.

Модель №
EIPC3-RA23-1X, EIPC3-RB23-1X, EIPC3-RK23-1X, EIPC3-RK20-1X, EIPC3-RP30-1X, EIPC3-RK201X, EIPC5-RA23-1X, EIPC5-RB23-1X, EIPC6-RA23-1X, EIPC6-RB23-1X
- Код
Модельный код

- Диаграмма
Характеристика производительности
EIPC3
Условия испытаний: n = 1.450 мин-1, Δ p = 250 бар, T = 50 °C, Среда: HLP 46

EIPC5.6
Условия испытаний: n = 1.450 мин-1, Δ p = 250 бар, T = 50 °C, Среда: HLP 46

EIPC5.6

EIPC5.6

- DWG
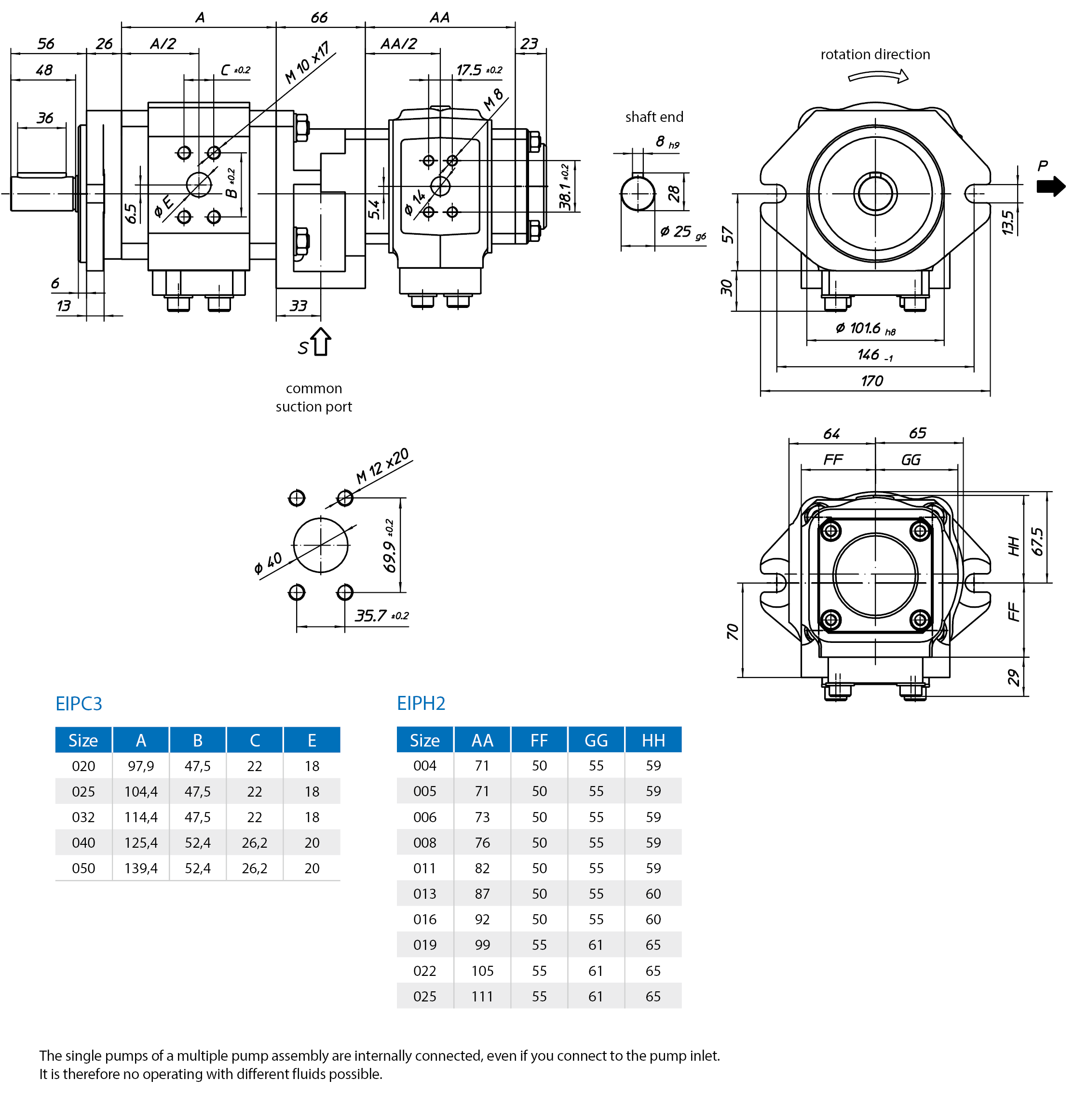
Измерение
Насос с фланцем SAE-2-B и цилиндрическим валом
Пример заказа: EIPC3-RA23-1X

Насос с фланцем SAE-2-B и шлицевым валом
Пример заказа: EIPC3-RB23-1X

Насос с фланцем SAE-B-2 и цилиндрическим валом с опцией привода через ВОМ
Пример заказа: EIPC3-RK23-1X

Двойной насос с фланцем SAE-B-2 отверстия и цилиндрическим валом
Пример заказа: EIPC3-RK20-1X+EIPC2-RP30-1X

Двойной насос с фланцем SAE-B-2 отверстия и цилиндрическим валом
Пример заказа: EIPC3-RK20-1X+EIPH2-RP30-1X

Насос с фланцем SAE-C-2 отверстия и цилиндрическим валом
Пример заказа: EIPC5-RA23-1X

Насос с фланцем SAE-C-2 отверстия и шлицевым валом
Пример заказа: EIPC5-RB23-1X

Насос с фланцем SAE-D-2 отверстия и цилиндрическим валом
Пример заказа: EIPC6-RA23-1X

Насос с фланцем SAE-D-2 отверстия и шлицевым валом
Пример заказа: EIPC6-RB23-1X

Внутренний шестеренчатый насос Eckerle EIPC | Гидравлические клапаны, сертифицированные по стандартам EMC, ISO 9001 и CE – Глобальное признание CML
Находясь на Тайване с 1981 года, Camel Precision Co., Ltd. является производителем Внутренний шестеренчатый насос Eckerle EIPC (модель: EIPC3,EIPC5,EIPC6 ) в отрасли производства машин и оборудования.
В 1981 году была основана компания Camel Precision Co.,Ltd. Управление компании полностью признает необходимость высококачественной продукции, требующей не только сложного оборудования, но и хороших знаний в технологии. Компания пригласила старших инженеров из Германии и Японии для руководства производством и обучением местных инженеров в гидравлической промышленности. Мы предлагаем нашим клиентам промышленные насосы, электромагнитные дирекционные клапаны, гидравлические насосы, лопастные насосы, наружные шестеренчатые насосы, внутренние шестеренчатые насосы, дирекционные клапаны, гидравлические клапаны...и т.д.
CML, Camel Hydraulic, Camel Precision предлагает клиентам высококачественные винтовые насосы, насосы с переменным дебитом, внутренние шестеренчатые насосы, представительство Eckerle Asia, наружные шестеренчатые насосы, электромагнитные клапаны, модульные клапаны, клапаны снижения давления, клапаны регулирования потока, гидравлические клапаны с 1981 года, обеспечивая передовые технологии и 38 лет опыта, CML, Camel Hydraulic, Camel Precision удовлетворяет потребности каждого клиента.
Факты о компании в цифрах
0
Годы опыта в отрасли
0
Количество обслуживаемых клиентов
0%
Уровень повторных покупок клиентов

